南宁0771sn论坛,桂林夜生活桑拿论坛交流中心,桂林喝茶vx

4P漏电?;た啬芊裼糜谌嗷虻ハ嗷芈??

2025/10/5 8:12:09 人评论 次浏览 分类:电工基础  文章地址:http://www.jczxnmz.cn/tech/6232.html

4P漏电?;た啬芊裼糜谌嗷虻ハ嗷芈??这里先给出答案:4P漏电?;た啬芊裼糜谌嗷虻ハ嗷芈罚拥缌魇噶亢图觳庠淼慕嵌瓤悸?,漏电?;すδ懿皇苡跋欤遣馐园磁タ厝〉绲男问交峋龆ㄖ骰芈方酉?,所以建议参考厂家的安装示意图。

本文以ABB F204漏电?;た匚兴得?,其余厂家产品建议参考安装说明。

ABB F204漏电?;た? src=

通俗的理解,4P漏电?;け;た氐墓ぷ髟硎腔诩觳馑写绲继錋、B、C、N回路内电流矢量和是否为0

4P漏电?;け;た氐墓ぷ髟? src=

正常情况下,当电路中没有发生触电、漏电或接地故障时,通过剩余电流互感器一次测的电流矢量和为0,此时二次侧线圈也无感应电流,剩余电流?;て鞑欢?。

IA+IB+IC+IN=0

当电路中发生设备漏电、触电等接地故障时,由于存在接地故障电流Id,此时I1和I2不再相等,所以剩余电流互感器检测出电流矢量和不为0,如果Id大于剩余电流保护器的动作值(比如30mA),?;て鞫鳌?/span>

IA+IB+IC+IN≠0

如果把4P漏电保护开关接到没有中性线N的三相电路或者只有L和N的单相电路中,理论上内部剩余电流互感器还是检测ABC或L-N的电流矢量和是否为0,来判断系统是否出现了漏电(接地)故障。


但是,我们不能忽略漏电?;て鞯娜粘2馐园磁セ芈返墓┑纾缦峦?P漏电?;た氐腘极处于右侧,测试按钮回路串联在5/6-6/5和7/8/N-8/7/N两极之间。


按照产品标准和相关规范,其工作电压范围从110V到254V之间。



所以,如果三相电路A、B、C或单相电路L-N接线时,开关最右边两极始终都接入电路,那么漏电?;ず筒馐园磁スδ芏疾换崾艿接跋?。

三相电路A、B、C或单相电路L-N接线时,开关最右边两极始终都接入电路,那么漏电?;ず筒馐园磁スδ芏疾换崾艿接跋? src=

但是,如果最右边N极始终不接,那么就需要在N极与3/4-4/3 极之间增加一个电阻连接线,确保测试按钮回路供电正常,电阻阻值依据漏电动作电流大小选择。

最右边N极始终不接,那么就需要在N极与3/4-4/3 极之间增加一个电阻连接线,确保测试按钮回路供电正常,电阻阻值依据漏电动作电流大小选择

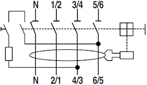
对于N极在左侧的4P漏电?;た?,测试按钮回路是串联在3/4-4/3和5/6-6/5两极。

对于N极在左侧的4P漏电?;た?,测试按钮回路是串联在3/4-4/3和5/6-6/5两极

此时,所有带电导体靠右接线都不会影响其功能。

所有带电导体靠右接线都不会影响4P漏电?;た毓δ? src=

所以,4P漏电?;た啬芊裼糜谌嗷虻ハ嗷芈?,从电流矢量和检测原理的角度考虑,漏电?;すδ懿皇苡跋欤遣馐园磁タ厝〉绲男问交峋龆ㄖ骰芈方酉?,所以建议参考厂家的安装示意图。

作者:宾昭平

相关阅读

微型断路器你真的会用吗
为何双极断路器的相线端子和N线端子不能互换

共有访客发表了评论 网友评论

  客户姓名:
邮箱或QQ:
验证码: 看不清楚?