南宁0771sn论坛,桂林夜生活桑拿论坛交流中心,桂林喝茶vx

一个泵两个(或多个)分支流量控制方案的思索

2025/10/3 19:10:26 人评论 次浏览 分类:技术方案  文章地址:http://www.jczxnmz.cn/tech/6229.html

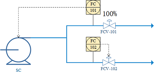
一个泵两个分支流量控制方案

上图是用一个大泵同时给多个分支流程供料的常见工艺。


如果是一个大的工频离心泵,这两个流量同时投自动,因为有相互影响,需要将两个控制回路一个调整的快一些,另一个慢一些以实现解耦。现场很多支路流量控制是很难同时投自动化,如果支路流量更多,难度就更大。


最简单的思路是参考恒压供水,增加一个泵出口压力控制回路。有的是增加泵回流和压力测量,用压力控制实现恒压。这时候压力控制要快一些,支路流量都要慢一些。


也可以将泵改为变频泵并增加压力测量,实现泵出口压力控制。


实际上这个泵出口的压力测量不是必须的。增加变频后,在不改变支路流量控制的前提下,可以用阀位控制的思想实现变频的优化。

增加压力,一个泵两个分支流量控制优化

这个方案现场用的并不多,实际使用这个方案有几个细节需要注意:
1、XC101这个阀位控制的控制速度一定要比两个支路流量控制回路慢。否则可能引起耦合振荡;
2、两个支路流量在设定值调整时仍存在耦合影响,参数整定时仍要有系统观;
3、正常情况下,两个调节阀都不会全开;
4、一般泵的能力是能够满足分支流量的需求的,但是如果泵的能力不够时,两个分支流量没有优先级。

上述方案是一个多支路的通用解决方案,但是两支路情况下还有其他解决方案。如下图所示,还是两个单回路,FC101改为用变频泵控制,FCV-101全开,FC102仍用FCV-102控制。

增加一个压力控制的一个泵两个分支流量控制

选型合理时,这个控制方案就符合至简至优的原则。但是极端情况下,两个流量没有优先级的概念,都有失控的可能。泵的能力不足FC101失控,偏流时FC102失控。实际工作中,FC102失控的可能性更高一些,那么如何保证FC102不失控呢?笔者想到了阀位控制和分程控制两种方法,大家如果有其他方法也欢迎发表意见。


思来想去,多支路情况下还是下图增加一个出口压力控制更至简至优,参数整定也容易很多。压力控制要快一些,支路流量整定会容易很多。现场有8个支路同时工作的场景,用的就是这个解决方案。

增加一个出口压力控制

一个泵两个分支流量控制方案很有意思,看起来都是正确的。但是细节不对还是用不好。

一个至简至优的控制方案应该是看起来简单,用着也容易。从这个角度看,嵌套控制的方法也要谨慎使用,包括明显的嵌套控制例如阀位控制和串级控制,和隐藏的嵌套控制。

增加新的仪表和控制往往能通过升维轻松解决问题,不过还是要多想想少花钱的解决方法。

作者:冯少辉博士

上一篇:为何行业标准具有强制性?

下一篇:没有了

共有访客发表了评论 网友评论

  客户姓名:
邮箱或QQ:
验证码: 看不清楚?